-
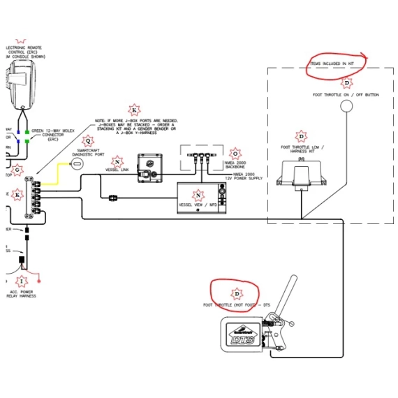
Modul til DTS hotfoot, av/på dash-knapp og ledningsnett for bruk til en- og flermotors DTS gen2 hotfoot, panel, konsoll, skygge, ZE.
Produkter
- Båt & Fritidsutstyr
- Fortøyning
- Vedlikehold
- Elektronikk
- Båttilbehør
- Installasjon
- Sikkerhet
- Vannsport
- Fritid & Fiske
- Båter
- Påhengsmotorer
- Tilhengere
- Outlet
- Klær & Merch

