Bolt på M10x30 for diverse motorapplikasjoner.
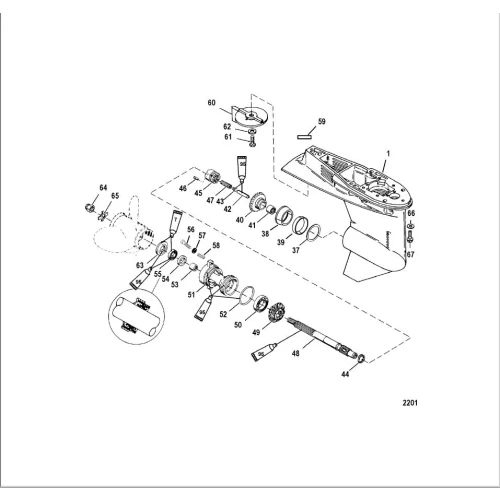
Ref 61 i deletegning, se bildet nr 2
Ta kontakt med serienummer hvis du er usikker på tilpasning til din motor.
Produkter
- Båt & Fritidsutstyr
- Fortøyning
- Vedlikehold
- Elektronikk
- Båttilbehør
- Installasjon
- Sikkerhet
- Vannsport
- Fritid & Fiske
- Båter
- Påhengsmotorer
- Tilhengere
- Outlet
- Klær & Merch

